Skip to content Skip to sidebar Skip to footer

Baby 8 Sequencer Schematic

Atari Punk 8 Step Sequencer Schematic Electronics Projects Circuit Bending Electronics Projects Diy

Atari Punk 8 Step Sequencer Schematic Electronics Projects Circuit Bending Electronics Projects Diy

Baby 8 sequencer schematic. Variable voltage on each step to control tone of steps. Petite démo de mon projet de Séquenceur 8 pas à base dun NE555 et dun Trimer CD4017. Electronics projects demos builds and teardowns for hob.

Easy to build and fun to use. Name Email Website. Il y a eu beaucoup de modifs et donc beaucoup de recherches différente.

Hi Guys I would like to rebuild my baby 8 sequencer which I built using the schematic from Foniks site. Leave a Reply Cancel reply. I dont really have many people to talk about electronics and music with so my learning has been sort of slow.

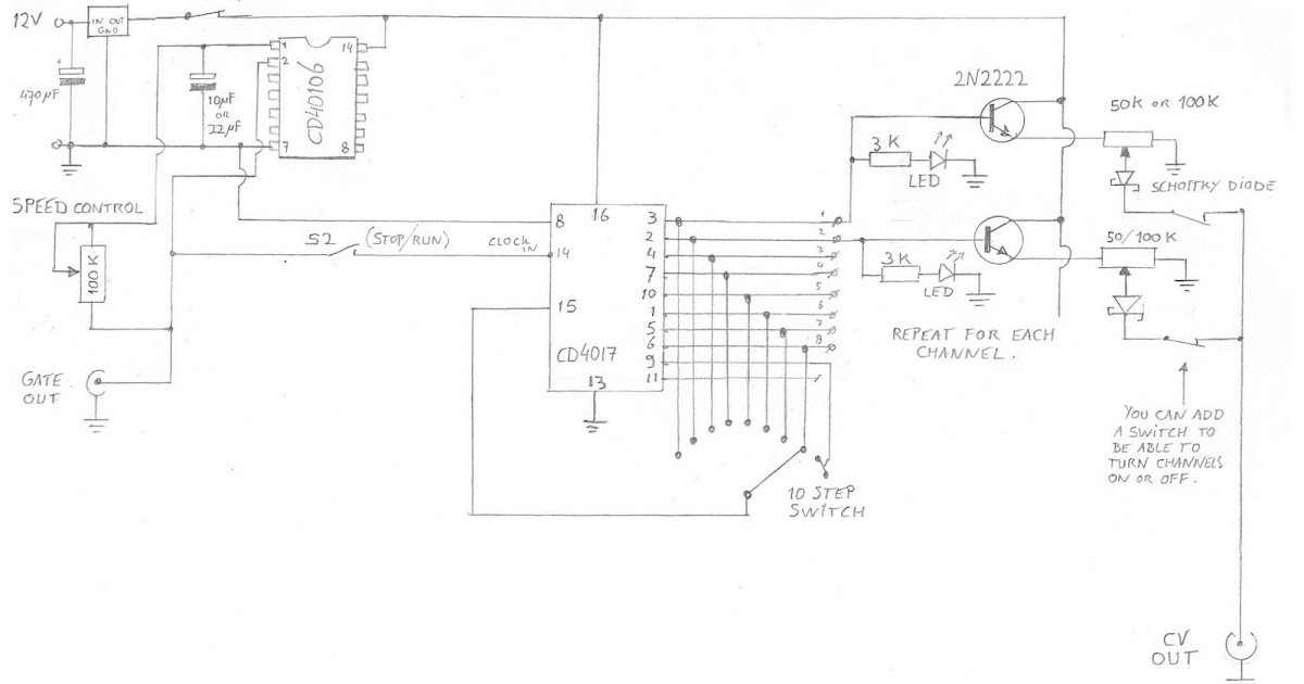
Atari Punk Console Schematics. This schematic doesnt account for anything other than cascading two CD4017 chips in order to make a 2x8 or 1x16 sequencer. Clocking Problems Please Help.

Baby 8 Sequencer with Reverse avalanche oscillator drone box with CV Posted on January 8 2019 April 2 2020 by the Sysop Today I show off my latest build. A complete Baby 10 sequencer is shown in the schematic below. Atari Punk Console Synthesizers.

Baby 8 Atari Punk Console Im Just taking my first steps in my first big project and having some trouble cobbling together a larger vision out of some examples from builds Ive found. I have taken a look at a baby 10 sequencer and might look into combining the lower part of the schematicthe pots with the schematic arkham posted earlier. View topic - Atari punk console Baby sequencer 4017 IC.

The solution was simple. A baby 8 sequencer schematic below with CV output as well as an internal 555 Oscillator for stand alone noise making along with 4 reverse avalanche w SS9018 transistors drone box Links to LMNCs vidssite.

Baby 8 Step Sequencer Schematic Diy Stuff Look Mum No Computer Thingies

Baby 8 Step Sequencer Schematic Diy Stuff Look Mum No Computer Thingies

Oh Baby Baby10 Build A Classic Analog Music Sequencer Hackaday

Oh Baby Baby10 Build A Classic Analog Music Sequencer Hackaday

Baby 8 Step Sequencer Schematic Diy Stuff Look Mum No Computer Thingies

Baby 8 Step Sequencer Schematic Diy Stuff Look Mum No Computer Thingies

Baby 8 Step Sequencer Schematic Diy Stuff Look Mum No Computer Thingies

Baby 8 Step Sequencer Schematic Diy Stuff Look Mum No Computer Thingies

Eddy Bergman Com Synthesizer Build Part 8 8 Step Sequencer

Eddy Bergman Com Synthesizer Build Part 8 8 Step Sequencer

8 Step Sequencer Schematic Electronics Projects Diy Synthesizer Diy Diy Tech

8 Step Sequencer Schematic Electronics Projects Diy Synthesizer Diy Diy Tech

Mfos Ten Step Analog Sequencer 12v To 15v

Mfos Ten Step Analog Sequencer 12v To 15v

B8by Baby 8 Step Sequencer Hackster Io

B8by Baby 8 Step Sequencer Hackster Io

Baby 8 Step Sequencer Schematic Diy Stuff Look Mum No Computer Thingies

Baby 8 Step Sequencer Schematic Diy Stuff Look Mum No Computer Thingies

Synths Noisemakers Baby 8 Sequencer Led Driver Synthesizer Diy Diy Guitar Amp Led Drivers

Synths Noisemakers Baby 8 Sequencer Led Driver Synthesizer Diy Diy Guitar Amp Led Drivers

Eddy Bergman Com Synthesizer Build Part 8 8 Step Sequencer

Eddy Bergman Com Synthesizer Build Part 8 8 Step Sequencer

Cmos 4017 Based 8 Step Sequencer Diy Audio Circuits

Cmos 4017 Based 8 Step Sequencer Diy Audio Circuits

Baby 8 Step Sequencer Schematic Diy Stuff Look Mum No Computer Thingies

Baby 8 Step Sequencer Schematic Diy Stuff Look Mum No Computer Thingies

Eurorack Baby 10 Sequencer Begginer Questions R Synthdiy

Eurorack Baby 10 Sequencer Begginer Questions R Synthdiy

Basic 8 Step Sequencer Upgrade Your Atari Punk Console Creative

Basic 8 Step Sequencer Upgrade Your Atari Punk Console Creative

Baby 8 Music Sequencer Youtube

Baby 8 Music Sequencer Youtube

Eddy Bergman Com Synthesizer Build Part 8 8 Step Sequencer

Eddy Bergman Com Synthesizer Build Part 8 8 Step Sequencer

Help Understanding Apc With Sequencer Schematic R Diysynth

Help Understanding Apc With Sequencer Schematic R Diysynth

10 Step Analog Sequencer 14 Steps With Pictures Instructables

10 Step Analog Sequencer 14 Steps With Pictures Instructables

Atari Punk Console 8 Step Baby Sequencer Youtube

Atari Punk Console 8 Step Baby Sequencer Youtube

Owyheeound Sequencer

Owyheeound Sequencer

Cgs89 About

Cgs89 About

Mfos Ten Step Analog Sequencer 12v To 15v

Mfos Ten Step Analog Sequencer 12v To 15v

Baby 8 Sequencer

Baby 8 Sequencer

D I Y Kit Baby 8 Sequencer V2 We Do It Yourself Modular Case Eurorack Www Errorinstruments Com

D I Y Kit Baby 8 Sequencer V2 We Do It Yourself Modular Case Eurorack Www Errorinstruments Com

8 Step Sequencer In Progress Prototyping And Building

8 Step Sequencer In Progress Prototyping And Building

Electro Music Com View Topic Atari Punk Console Baby Sequencer 4017 Ic

Electro Music Com View Topic Atari Punk Console Baby Sequencer 4017 Ic

Oh Baby Baby10 Build A Classic Analog Music Sequencer Hackaday

Oh Baby Baby10 Build A Classic Analog Music Sequencer Hackaday

8 Step Sequencer Assembly Instructions Synthrotek

8 Step Sequencer Assembly Instructions Synthrotek

Electronic Why Does This 8 Step Sequencer Schematic Need Two Resistors For Each Output Pin Itectec

Electronic Why Does This 8 Step Sequencer Schematic Need Two Resistors For Each Output Pin Itectec

Baby 10 Sequencer Under Repository Circuits 31823 Next Gr

Baby 10 Sequencer Under Repository Circuits 31823 Next Gr

Ken Stone S Modular Synthesizer

Ken Stone S Modular Synthesizer

Sequencer Pittsburgh Modular Synthesizers

Sequencer Pittsburgh Modular Synthesizers

10 Step Analog Sequencer Hackster Io

10 Step Analog Sequencer Hackster Io

Basic 8 Step Sequencer Upgrade Your Atari Punk Console Creative

Basic 8 Step Sequencer Upgrade Your Atari Punk Console Creative

Atari Punk Console With 8 Step Sequencer Easyeda

Atari Punk Console With 8 Step Sequencer Easyeda

What Is Wrong With My Baby8 Mod Wiggler

What Is Wrong With My Baby8 Mod Wiggler

Proto Schlock Baby 8 Sequencer

Proto Schlock Baby 8 Sequencer

Stuff Look Mum No Computer

Stuff Look Mum No Computer

Sequencer Circuit Page 3 Other Circuits Next Gr

Sequencer Circuit Page 3 Other Circuits Next Gr

Atari Punk Console With A Baby 8 Step Sequencer 7 Steps With Pictures Instructables

Atari Punk Console With A Baby 8 Step Sequencer 7 Steps With Pictures Instructables

Das Ding Is Making Sequencers Juno Daily

Das Ding Is Making Sequencers Juno Daily

Electro Music Com View Topic 3x8 Step Gate Trigger Sequencer

Electro Music Com View Topic 3x8 Step Gate Trigger Sequencer

16 Step Baby Sequencer Improvement Help Needed Schemat Mod Wiggler

16 Step Baby Sequencer Improvement Help Needed Schemat Mod Wiggler

Baby8 Sequencer Pcb Panel Modular Addict Synth Diy

Baby8 Sequencer Pcb Panel Modular Addict Synth Diy

Music From Outer Space 16 Step Sequencer

Music From Outer Space 16 Step Sequencer

Cgs89 About

Cgs89 About

Baby 8 Step Sequencer Schematic Diy Stuff Look Mum No Computer Thingies

Baby 8 Step Sequencer Schematic Diy Stuff Look Mum No Computer Thingies

1

1

This schematic doesnt account for anything other than cascading two CD4017 chips in order to make a 2x8 or 1x16 sequencer.

Atari Punk Console Synthesizers. Wed Jun 07 2017 1108 am Post subject. I dont really have many people to talk about electronics and music with so my learning has been sort of slow. 8 step sequencer schematic. 4017 - Baby 8 Sequencer. Hi Guys I would like to rebuild my baby 8 sequencer which I built using the schematic from Foniks site. My build has 2 rows of 8 knobs and 2 rows of 8 switches. The Baby 8 Step Sequencer - A powerful time consuming and moderately easy circuit to build. View topic - Atari punk console Baby sequencer 4017 IC.


I have taken a look at a baby 10 sequencer and might look into combining the lower part of the schematicthe pots with the schematic arkham posted earlier. A simple Baby 8 type Sequencer made with the CD4017 chip. Il y a eu beaucoup de modifs et donc beaucoup de recherches différente. The original circuit used 1N917s these are no longer available but the part has been replaced by. The solution was simple. Your email address will not be published. This was a big first for me because not only was it a step up from the APC its also the first circuit Ive ever built on a PCB without linear rails built into it.

Post a Comment for "Baby 8 Sequencer Schematic"